D Type Drive

Catalogue Index

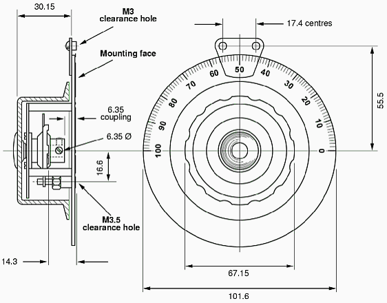
Aluminium Dial Drive


Ball Drive Dial


4489/C £18.00



D Type Drive

Catalogue Index

Aluminium Dial Drive