4511 series Ball Drives

Catalogue Index

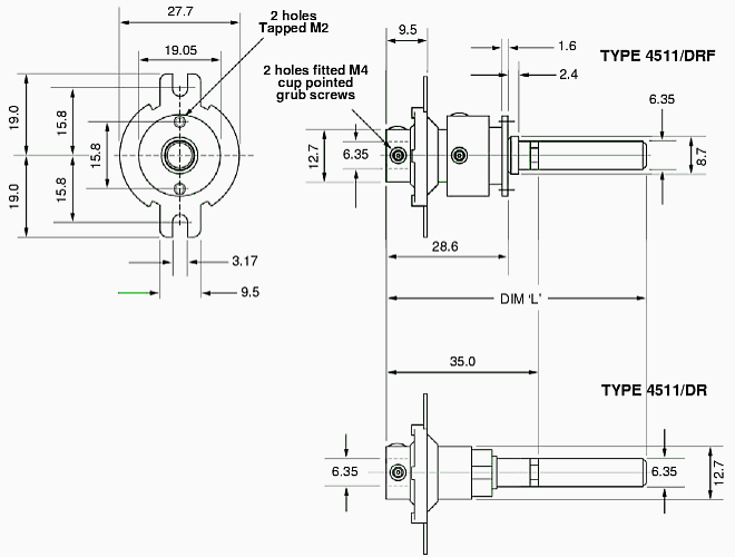
10:1 Ball Drive


Dual Ratio Ball Drive






4511 series Ball Drives

Catalogue Index

10:1 Ball Drive