Miniature 10:1 Flanged Drive Unit

Catalogue Index

Adjustable Torque Ball Drive


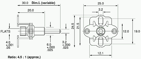
Miniature Flanged Drive 4.5:1 (approx.)






Miniature 10:1 Flanged Drive Unit

Catalogue Index

Adjustable Torque Ball Drive