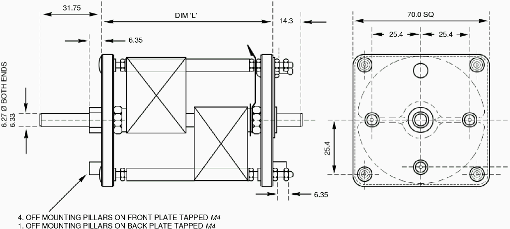
TX5 Ball Race Transmitting Capacitor

Catalogue Index

Capacitors - Type C9/C10/C12


TX5 Split Stator Transmitting Capacitor




TX5 Ball Race Transmitting Capacitor

Catalogue Index

Capacitors - Type C9/C10/C12