Wavemaster Variable Capacitor

Catalogue Index

C824 series Trimmers


C8 Series Trimmers

C801
C802
C803
C801/2/3 Data
C804
C809
C804/9 Data
C8 PTFE






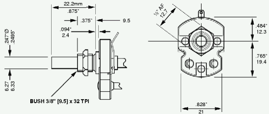
Type C801 Trimmer




Type C802 Trimmer



Type C803 Trimmer



Data for C801, C802 & C803




Type C804 Trimmer



Type C809 Trimmer



Data for C804 C809




C8 Trimmer with P.T.F.E Interleaves





Wavemaster Variable Capacitor

Catalogue Index

C824 series Trimmers