Terminals Type H-S to H 6 BR

Catalogue Index

Terminals Type TS5-01


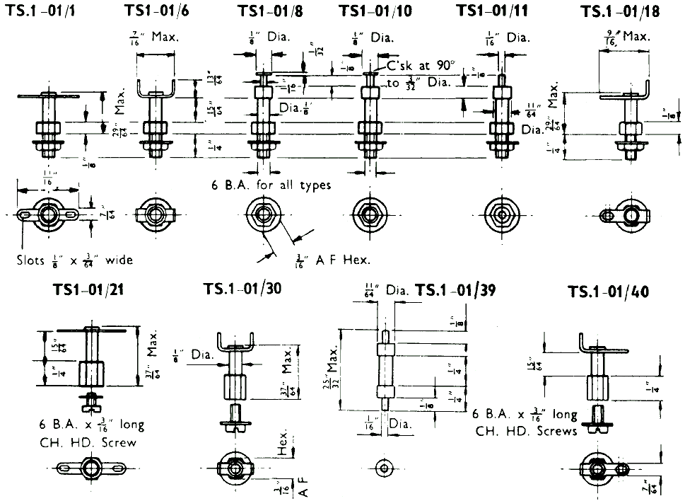
Stand-Off Insulators & Terminals - Type TS1-01

Price: £2 each




Terminals Type H-S to H 6 BR

Catalogue Index

Terminals Type TS5-01