The
Wireless-Set-No19 Group |
Royal Signals Established 28 June 1920 |
For the open exchange of information and opinions about collecting, restoring, maintaining and operating the Wireless Set No 19 and all other radios, as well as line and other forms of comms equipment, used by the Allied forces before, during and after World War II. For organising operating events with the broadest possible participation. Anyone interested in military communications equipment, vintage and modern, are most welcome. |
| The Manuals section of this site provides the largest publicly available historical archive of military communication documentation in the world. Documents are available for download to members and non-members alike, with no charge. However, to protect our investment in time and money, all documents are password protected. Please see here for instructions on obtaining passwords. |
Joining The Wireless-Set-No19 Group and its e-mail reflector are FREE - CLICK HERE to join.
INTRODUCTION The frequency range is: BAND FREQUENCY It is in a hermetically sealed cast aluminium case, similar to the Larkspur series of equipment. It is 8.75 inches high, 13 inches long, 10.75 inches deep, and weighs 30 pounds. It has a protective cover, which holds three cables. They are the AC power input cable, DC power input cable, and the signal output cable. There is a carry strap. |

Picture 1: Front
There is a corresponding oscillator covering the VHF range,
which is called OSCILLATOR TEST NO. 2 which covers the frequency range
20 Mcs to 80 Mcs. CONTROLS |

Picture 2: Cover
| DESIGN The electronics is inside a heavy cast aluminium case, the same type as that used for the Larkspur range of radios. The generator is designed to be portable, rugged and waterproof. The mechanical design is modular. The power supply is a separate unit and is attached to the front panel. Four screws can be undone to remove the supply. The wire loom must then be unsoldered. The RF and AF oscillator is another unit, and also attached to the front panel. Four screws can be undone to remove the oscillator, and then the loom unsoldered. When working on the rear of the front panel, the screws can be undone, and the front panel can be folded down flat. |

Picture 3: Modular
| All the controls are on the front panel. They control the power supply and oscillator. Only two controls mechanically connect to the oscillator, the tuning and the band change. The tuning consists of a flat wheel on the front panel, which presses against a rubber wheel on the oscillator module. This is merely friction operated. It is easy to assemble and dissassemble, but there is some backlash in the tuning drive. The bandswitch engages with the switch in the oscillator, and needs to be aligned before re-assembly. The two attenuators are part of the front panel casting. They engage with a connector on the oscillator. There is an earthing grommet (a metal conductive washer) around this connector, and the manual warns against losing it. |

Picture 4: Power Supply
| The power supply contains a normal power transformer. It has taps that can be set for various AC mains voltages, from 110 to 240 volts AC. The tap is selected by soldering a wire on to a marked tag. There is a metal 3 pin connector used to supply the mains voltage. The power transformer provides 6.3 volts AC for the filaments of the valves. It also provides a 300 volt winding for the high tension (HT). There is a rectifier for the AC which produces the 350 volts DC. There is a choke and capacitor filter which results in 280 volts of smooth DC. There is also a vibrator (SV2) which uses the same transformer to provide the HT and filament voltage. It has a 2 pin metal connector on the front panel for the 12 volts DC input. There are several fuses on the power supply module. Two are for the AC mains input, and another two are for the DC power input. There is also a fuse for the HT output to the oscillator. These can only be accessed by opening the case. |

Figure 1: Power Supply Circuit
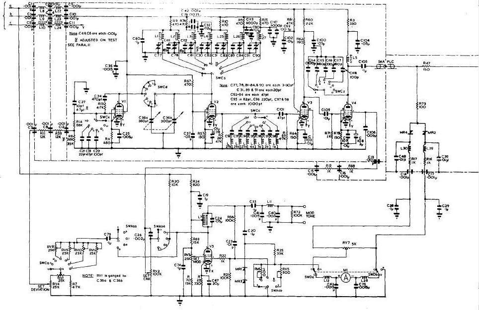
At one stage, serious smoke erupted from the unit, initiating a panic turn off. There is a series R and C circuit across the HT secondary. C49 had short circuited, and burnt up R65, which released the large amount of smoke. The fuse eventually blew, but not in time to save the resistor. OSCILLATOR MODULE The AF oscillator valve uses a tuned choke (L7 and C24) to produce the 1 Kcs frequency. The waveform is available on two terminals on the front panel for external use. The AF level is rectified and shown on the front panel meter. The AM modulation depth is set by adjusting the screen voltage of the AF oscillator using the SET MOD. front panel control. When the level is set to the CAL mark on the meter, the modulation depth is 30%, but it can be varied from about 10% to about 60% modulation. There is an internal preset control to calibrate the 30% level. AM modulation can be used on all bands. When switched to FM modulation, the front panel DEVIATION control can be used to vary the FM from 0 to 40 Kcs. This control adjusts the amplitude of the AF applied to the reactance valve in the RF oscillator module. The reactance valve will act as a variable capacitance, and so vary the frequency of the RF oscillator. However, the amount of capacitance required to vary the RF oscillator frequency, is different for each RF frequency band, and changes as you tune from end to end of the dial range. To keep the deviation constant, two methods are used. There is a potentiometer ganged to the RF frequency tuning control. As the frequency is changed from one end of the dial to the other, the potentiometer adjusts the AF amplitude to keep the deviation constant for that band. Secondly, there is a preset for each band, to set the deviation amplitude for each particular band. The FM modulation can only be used on the four bands above 2 Mcs. The RF oscillator uses an RF transformer to couple the plate to the grid, and a tuning capacitor to adjust the frequency. On the lower 3 bands, a dual gang tuning capacitor is used. On the upper 4 bands, only 1 gang is used, and the reactance valve is used in addition, but fixed for AM modulation, and with AF applied for FM modulation. The RF oscillator is coupled to a buffer, with a gain of approximately one. This then goes to the output amplifier valve, with adjustable gain, controlled by the screen supply variable from the SET CAR. front panel control, to set the output level. This control is used to set the amplitude to the CAL mark on the meter. AF is also applied to the screen to produce the AM modulation. The RF then leaves the oscillator box though a fixed connector, and enters the front panel attenuators. The RF amplitude is sampled at this point, and rectified for indication on the front panel meter. The attenuator consists of three parts. The first part is a “coarse” resistive divider, with 5 positions, that produces 10 dB reduction at each position. The second attenuator is a “fine” resistive divider, with 11 positions, that provides 2 dB reduction at each position. The third attenuator is external to the instrument, and is in the RF output cable. This is really a terminator (TERMINATING UNIT No.3), and provides 75 ohm output or 7.5 ohm output. The attenuators are labeled with a voltage scale (in black) and a dB scale (in red). Using the black scale, the bottom attenuator control can be set from 1 to 10 microvolts. The top attenuator, can then select X1, X10, X100, X1000, and X10000. You have to do a mental calculation to understand that this means that the output level is 1-10, then 10-100, then 100-1000 microvolts. Then the next position is 1-10, then 10-100 millivolts. Using the alternative red scale, the bottom attenuator control can be set from 0 to 20 dB in 2 dB steps. The top attenuator, can then select 0, 20, 40, 60 and 80 dB. These can be added together to give a 100 dB range, but relative to what? It means that with no attenuation, the output level is +100 dB greater than 1 microvolt. This is backwards thinking from the way I use attenuators. I normally start with 0 dB as maximum output, and then work down in negative dB steps. I found this dB scale slightly confusing. It took some getting used to. I had to always remember that with both knobs fully clockwise, there was maximum output. I gave up trying to use dB, and only used the voltage scales. |

Figure 2: Oscillator Circuit
Some attention has been focused on the sealing of the generator, to prevent RF leakage, especially important when attempting to use very low levels of RF output. There is a large flange on the front panel to case join, with many screws. The RF attenuators are enclosed in cast alloy boxes, and are part of the front panel casting. There is filtering on the AC and DC power lines, to prevent leakage from these. RESTORATION The aluminium case is normally sealed closed with 10 screws and a gasket, and has a desiccator to keep the insides free from dirt and moisture. Some previous owner had drilled many holes in the case, possibly to allow cooling. This has exposed the internals to the elements. The case was opened, and it was very clean inside, despite the holes. The insides are clean, and dry, with no dirt or corrosion. There was no obvious damage, burning, or modification. There was a new wire run in two places, next to a loom, indicating a broken wire within the loom. There were two new capacitors fitted, indicating repairs in the past. The paint was in poor condition, so the case was repainted. There had been rubber feet attached to the bottom of the case, but these had perished, so new feet were added. AUDIO OSCILLATOR |

Picture 5: Modulation
(SET MOD. control at 45 degrees = 10% modulation)

(SET MOD. control at CAL = 30% modulation)

(SET MOD. control at 135 degrees = 60% modulation)
The AF level was not reading on the other meter, which turned out to be a faulty rectifier. It uses those early Westinghouse WX6 crystal diodes. I replaced it with a 1N4004 which will work at 1 Kcs satisfactorily. The meter level needed recalibration with the preset RV5. RF OSCILLATOR |

Picture 6A: Inside of RF box (top)

Picture 6B: Inside of RF box (underneath)

Picture 6C: Inside of RF box (side)
METER The meter was removed and the case opened. It appeared that the movement was open circuit, so the meter was dismantled. The moving coil was loose, but could still rotate. With magnification, it appeared that one of the pivots, was insecure. So the hairsprings were unsoldered, the top bearing bridge was unscrewed, and the magnet removed. It could be seen that the bottom pivot was only partially attached. When touched by tweezers, it fell off. It was glued to the rotating coil, and the glue had failed with age. The top pivot was examined, and with a little touch it also came adrift, as the glue was poor there as well. The wire ends of the coil winding were teased out, but there was no continuity. I decided that there was nothing to loose, so I fitted the coil to my coil winder and started unwinding the wire. It was very fine, and measured about 0.04 mm, which makes it about 48 SWG wire size. The wire broke several times, but after removing about 100 turns, both ends were unable to be located, and there was still plenty of wire on the coil. I abandoned the idea of rewinding the meter coil. |

Picture 7: Old Meter
| A similar size meter was found in the junk box. It was 100 micro amps FSD, and working, but had an offset zero. Also, the scale was wrong so it needed to be changed. The meter was totally sealed, so I put it in the lathe and used a sharp tool to cut the front flange off. The old scale was trimmed so that it fitted the new meter, and screwed on. The zero offset was adjusted. The new meter was slightly smaller that the old one. I put the old meter empty case in the lathe, cut off the rear end, and enlarged the inside so that the new meter fitted. I then glued the new meter in place, and fitted on the old glass face. It looked perfect and original from the front. The meter was fitted to the instrument, and wired in. It now displayed the correct levels, and the CAL function could be used. |

Picture 8: New Meter
ATTENUATOR CONCLUSION |

Picture 9: Vibrator and Mains Switch
The dial window could be larger, and the dial easier to read. There is no band indicator, just the small numbers next to dial. The capacitors could be better, some go short circuit, while other go open circuit. The power supply could be mounted on its own mounting studs, instead of sharing two studs with the RF oscillator. If it was, then the RF oscillator box could easily be removed, without having to remove the power supply first. Overall, it is a nice generator, and well designed. REFERENCES This Description was written by Ray Robinson for his own |