Terminals Type TS7

Catalogue Index


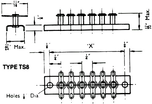
Stand-Off Insulators & Terminals - Type TS8





Terminals Type TS7

Catalogue Index